选料讲究丨质量可靠丨服务周到
绝热隔音保温、高低压压铸材料专家
      全国服务热线:0769-82766551
语言选择
产品详情

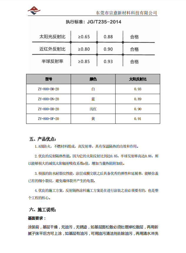
多彩反射隔热涂料

      东莞市宗意新材料科技有限公司成立于2004年,公司聚焦于功能性涂料和压铸铸造材料,专注于研发、生产、销售高性能应用型节能隔热技术的高新技术企业,拥有多项发明专利和知识产权。
      压铸铸造材料是100多家大型压铸铸造企业的合作伙伴,经过多年的技术研究和能力培育,公司自主研发生产的“VOLIN”品牌的产品品质已在国内同行业中处于领先地位。
     功能性涂料是公司基于日本等国家专家和东莞理工学院研发平台,建立联合实验室,研发出绿色、环保、高效的“皓绿宗意”品牌的多彩反射隔热涂料、隔热保温涂料、防水防锈水性涂料、隔音防震涂料等新材料。
      旨在为全球用户提供高质量、高性价比的热管理一站式解决方案
产品介绍

1.jpg2.jpg3.jpg

联系人:吴女士
手   机:13926852268
电   话:0769-82766551,0769-82766550
邮 箱:zyzzcL68@126.com
地 址:广东省东莞市大岭山镇马蹄岗村龙圣高新工业园区
首页                 关于我们         |        服务案例        |        产品中心        |        新闻中心        |        联系我们       |         店铺
手机网站